角度と刃先RにおけるノーズR補正量の公式
工具の移動経路は以下のようなものが考えられます。
これらの場合の公式は、
$$fx=2R(1-tan\frac{φ}{2})$$
$$fz=R(1-tan\frac{θ}{2})$$
※R=ノーズR
φ=90-θ
これらの場合は切り刃が逆になるため、
$$fx=2R(1+tan\frac{φ}{2})$$
$$fz=R(1+tan\frac{θ}{2})$$
※R=ノーズR
φ=90-θ
となります。
お気付きの方もおられるかと思いますが、そうです。要するに
G41、G42
の事です。まあNCで計算しているのはこれだけじゃないんですが(後で説明します)
このノーズR補正量の公式は大事なので、しっかり覚えておきましょう。
計算した座標値にノーズR補正量をプラス、またはマイナスする。
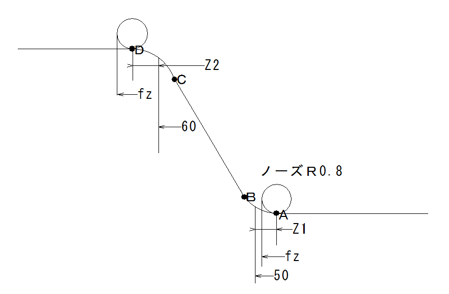
例として、以下の図面を使用します。
これにノーズRを書き加えます。
50-(Z1-fz)=A点Z
$$fz=0.8(1-tan\frac{30}{2})$$
fz=0.586
Z1=4.2✕tan15°
Z1=1.125
50-(1.125-0.586)=49.461
D点Zは、
60+(Z2+fz)
$$fz=0.8(1-tan\frac{30}{2})$$
fz=0.586
Z2=6.8✕tan15°
Z2=1.822
60+(1.822+0.586)=62.408
これのA点、B点を是非ご自分で計算してみてください。答えを最後に載せておくのですぐ見たい方はスクロールしてください。
刃物の向きと進行方向
先ほど書いた、G41とG42の時にNCがしている計算ですが、
- ノーズR補正
- 刃物の向き
- 進行方向
これらの情報を読み込んで計算しています。
ここではよく使うパターンを載せておくので、分からなくなったら参考にしてみて下さい。
問題の答え


















